(1)主机功能结构
GZ4120卧式带锯机床是一种大型下料设备,其极限加工尺寸为方料1450mm×1250mm,圆料Φ1 250mm.主机为双立柱框架式结构。定环状带锯条的锯架能快速上升、快速下降和按工况速度进给;送料机构有夹紧送料、连锁的自动送料和夹紧送料单独的手动送料;前工作台的夹紧及卸料;锯条的张紧、导向;导向机构的锁定等,这些动作均由液压驱动实现。
(2)液压系统及其工作原理
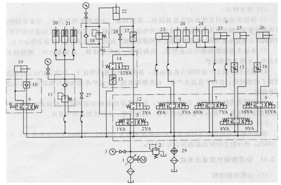
机床的液压系统原理图如图2-23所示,系统的油源为电动机驱动的限压式变量叶片泵1,系统的最高工作压力由溢流阀2设定,系统工作压力由压力表及其开关3显示口系统的执行器为液压缸19—26,这些液压缸采用并联回路,除去缸20. 21,各缸分别由各回路上的主换向阀4-9控制其运动方向。缸19的回路设有保压用液控单向阀10;缸20. 21的回路设有减压阀11和单向阀;缸22为锯架升降缸,设有二位二通电磁换向阀12. 14和调速阀13、17及截止阀28,构成容积节流调速回路;缸25和缸26的回路分别设有调速阀15和16,用于调节液压缸的速度。
.jpg)
图2-23带锯机床液压系统原理图
1-限压式变量叫片泵;2一溢流阀;3一压力表;4三位四通手动换向阀; 5、6、7、8、9 -三位四通电磁换向阀;10-液控单向阀;11-减压阀; 12、14-二位二通电磁换向阀;13、l5、16、17调速阀,18单向减压阀; 19-锯条张紧缸;20-导向机构锁紧缸;21锯条导向缸;22一锯架升降缸;z3夹紧缸(前后同); 24-顶起缸(前后同);25一前卸料缸;26后送料缸;27、28截止阁;29冷却器
系统的工作原理如下。三位四通手动换向阀4切换至右位,液压泵l的压力油经阀4和阀10进入锯条张紧缸19的有杆腔,锯条张紧至合适程度,保证锯削时承受锯条力而不打滑,无杆腔经阀4和冷却器29回油,然后阀4复至中位,由液控单向阎10和阀4确保液压油锁定而恒定张力。然后电磁铁2YA和3YA通电,三位四通电磁换向阀5和二位二通电磁换向阀12均切换至右位,液压泵1的压力油经阀5、12和调速阀17进入锯架升降缸22的无杆腔,带动锯架快速上升至足够高度,保证被切工件的顺利通过,而有杆腔经单向减压阀18中的单向阀和换向阀5回油。
被锯切工件长度和下料长度,可选择自动送料或手动送料方案。电磁铁6YA通电使三位四通电磁换向阔7切换至左位,液压泵l的压力油经阀7进入夹紧缸10YA无杆腔和顶起缸24的无杆腔,后夹钳夹紧的同时顶起缸顶起后工作台;然后电磁铁10YA通电使三位四通电磁换向阀9切换至左位,压力油经阀9和调速闽16进入后送料缸26的无杆腔,实现送料;接着电磁铁7YA通电使换向阀7切换至右位,压力油经阀7进入缸23的有杆腔,夹钳松开同时后工作台落下,电磁铁IIYA通电使换向阀9切换至右位,压力油经阀9进入缸26的有杆腔,后工作台复位。循环动作,至送料设定值(手动送料时缸26无杆腔进油后缸23无杆腔不必同时进油,即能分别动作)。
接着电磁铁8YA通电使换向阀8切换至左位,泵1的压力油经换向阀8和调速阀15进入前卸料缸25的无杆腔,前工作台移动到位(只有到位后才能启用电磁铁12YA),电磁铁4YA通电使换向阀6切换至左位,压力油经阀6进入夹紧缸23无杆腔,前夹钳夹紧工件;同时,按工件规格,将导向机构调至标定位置,设定减压阀11至较合适的低压值,旋紧截止阀27,锁紧导向机构,并使锯条被导向至与工件相垂直的位置。
锯削时,首先将单向减压阀18的压力设定成最低值。电磁铁3YA通电,旋开截止阀28,锯架在自重作用下,快速下降到接近工件时使3YA断电,电磁铁12YA通电,将调速阀6设定成合适开度满足进给工况速度;若自重不够,则同时使电磁铁1YA通电,使泵的压力油经单向减压阀18进入缸22的有杆腔,以加快切割速度。切割时一般不调速,若选定速度不合适,则可在切割后调整。切断工件后,锯架自动升起至合适高度,以保护锯条,并适当旋紧截止阀28。
然后电磁铁9YA通电使换向阀8切换至右位,压力油进入缸25的有杆腔,前工作台退回;电磁铁SYA通电使换向阀6切换至右位,压力油进入缸23的有杆腔,前夹钳松开,卸下断料;接着电磁铁7YA通电使换向阀7切换至右位,压力油进入缸23的有杆腔,后夹钳松开;电磁铁11YA通电使换向阀9切换至右位,压力油进入缸26的有杆腔,带动后工作台退回,实现一次完整动作。
(3)技术特点
1)以手动换向阀和液控单向阀来确保锯条在工作中不受油压波动,锯条始终处于张紧力适当的状态。
2)夹紧、送料、卸料、锯削进给等以电磁换向阀保证切换平稳和转换精度,便于计算机控制,实现自动化。
3)锯削进给采用“限压式变量泵一调速阀一截止背压阀”式容积节流调速方式、效率高、速度稳定、调速范围较大。
4)液压系统采用块式集成结构(每一点划线框内为一集成块),油路通道短,压力损失小,所用管件少;液压装置结构紧凑、体积小、外形美观、便于操纵和维护。
5)采用冷却器散热,以便控制因机床工作时间长产生的温升,有利于改善机床的性能及状态。
6)该液压系统运行动作迅速准确、性能稳定可靠、发热小、噪声低。
分类:液压行业知识
标签: 液压系统

