热成型机是电冰箱工业生产中的内胆成型设备,它不仅可以生产冰箱内胆,还可以用于各种热塑性材料的真空成型。该成型机不仅要求自动化程度高,同时还要求各执行器有多种速度和出力,且动作无冲击、过渡平稳。
液压系统及其工作原理
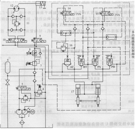
冰箱内胆四工位热成型机液压系统原理图如图1所示,执行器为液压缸21、液压马达12及制动液压缸13,系统的油源为双联泵(定量泵1和变量泵2)加蓄能器。6。当执行器高速运动而需要大流量时,双泵及蓄能器同时供油。当执行器低速运动需要小流量时,小泵单独向系统中供油而大泵则经电磁溢流阀卸荷。系统的压力和流量分别通过电液比例压力阀7和电液比例流量阀8控制,液压缸17的运动由多功能插装阀块控制,液压马达12的旋转运动及制动缸13分别由三位四通电磁换向阀10和二位四通电磁换向阀9控制。

图1 四工位热成型机液压系统原理图
1-定量泵;2-变量泵;3、16 -溢流阀;4-先导式溢流阀;5-=位四通电磁换向阀;6-蓄能器; 7-电液比例压力阀;8-电液比例流量阀;9、14、15-二位四通电磁换向阀;10 三位四通电磁换向阀;11-单向溢流阀组;12-双向变量液压马达;13 -制动液压缸;17 -液压缸
当比例阀7和8的电气放大器接到智能模块的控制信号时,双泵和蓄能器的压力油通过比例减压阀7和比例流量阀8进入多功能控制阀,实现液压缸17的动作。当电磁铁1YA和2YA同时通电时,两液压缸差动快速向下运动;2YA通电、1YA断电时,两液压缸非差动向下运动;1YA通电、2YA断电时,两液压缸向上运动。两液压缸的速度取决于比例流量阀8的流量设定值;两液压缸的最大出推力取决于比例压力阀7的压力设定值。通过两比例阀可以同时或单独改变流量和压力,以满足成型机的各种要求。多功能控制阀还可以实现节流,调节4个插装阀心AT、BT、PA、PB的限位螺丝即可限制液压缸上下的最高速度。另外,阀心AT及控制盖板上设置的先导溢流阀16,具有平衡阀的功能,可以平衡重力而使液压缸停留在任意的位置上。
单向溢流阀11对马达的制动起缓冲作用,并可防止马达吸空。马达运行到规定的圈数时,由编码器发出信号使马达迅速平稳地停下来。马达的转速和输出扭矩也由两比例阀控制,可分别在一定范围内无级调节。
技术特点
1)液压系统采用的双泵加蓄能器油源,可以节能,并有消振作用。
2)采用比例阀可以通过设定电信号连续地控制液压系统的流量和压力,并且可以实现无冲击的运动控制。
3)多功能插装控制阀块兼有方向控制、流量控制和平衡阀三种功能,减少了系统中阀的数量,节省了安装空间,实现了无管路化连接。换向响应性好,执行器的启动和停止动作平稳,换向时的噪声和管路的振动小,不存在液压卡紧现象。
4)与采用普通液压阀系统的成型机相比,该成型机,结构紧凑、体积小、性能可靠、参数调整方便。
分类:液压行业知识
标签: 液压系统

